A3型围挡
A3型围挡效果图

面层为人工草皮;
面板为压型钢板、彩色涂层钢板或彩钢板;
面板色号:3.1B 8.5/1-0621;
柱身色号:10B 6.5/1-1271;
装饰线条色号:10B 6.5/1-1271;
适用于重点区水务、园林工程(线性工程) 其它区的市政工程、交通工程及水务、园林 工程(场站工程)。
您现在的位置 : 首页 > 案例展示

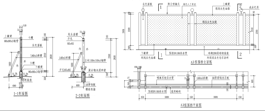
A3型围挡
A3型围挡效果图

面层为人工草皮;
面板为压型钢板、彩色涂层钢板或彩钢板;
面板色号:3.1B 8.5/1-0621;
柱身色号:10B 6.5/1-1271;
装饰线条色号:10B 6.5/1-1271;
适用于重点区水务、园林工程(线性工程) 其它区的市政工程、交通工程及水务、园林 工程(场站工程)。